|
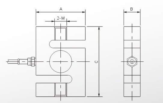
量程Capacity |
尺寸Size |
螺紋Thread |
||||
|
Klb |
kg |
A |
B |
C |
公制 |
英制 |
|
0.025~0.15 |
5-50 |
51.2 |
13.0 |
64.2 |
M18X1.25 |
1/4-28 |
|
0.2~1.5 |
100-500 |
51.2 |
19.0 |
76.2 |
M12X1.75 |
1/2-20 |
|
2~4 |
1000-2000 |
54.0 |
25.2 |
76.2 |
M12X1.75 |
1/2-20 |
|
5~10 |
2500-5000 |
76.2 |
25.2 |
108.1 |
M18X1.5 |
3/4-16 |
|
15 |
7500 |
100 |
32.2 |
140.2 |
M24X2 |
1-14 |
|
20 |
10000 |
126.2 |
50.2 |
178.2 |
M30X2 |
1-12 |
|
40 |
20000 |
140 |
60.2 |
188.2 |
M39X2 |
1-12 |

在線訂購